首頁
(current)
技術單張
教師簡介
專利概況
專利事務所
搜尋
專利類型:發明
A:人類生活需要
I693919 手術器械的放電測試方法ELECTRICAL DISCHARGE TESTING METHOD FOR SURGICAL INSTRUMENTS
I349572 穿戴式電腦軟體控制裝置及其方法
I369223 實際路況模擬系統及其方法ACTUAL ROADWAY CONDITION SIMULATION SYSTEM AND ITS METHOD
I682718 懸浮式滅蚊誘餌及其製法
I584798 行動輔具模組化轉換機構
I445495 防護網展開及收復的系統
I358990 應用於水產養殖之無線監控系統及其控制方法A WIRELESS MONITORING SYSTEM USED FOR AQUACULTURE AND A METHOD FOR CONTROLLING THE SAME
I399177 知母萃取物作為抑制真菌活性之用途
I331914 具電源輸出功能之隨身式呼吸裝置PORTABLE BREATHING AID AND POWER SOURCE
I404511 智慧型安全軟墊
I329504 智慧光電式窗簾帷幕INTELLIGENT OPTO-ELECTRICAL CURTAIN
I346527 具監護警示功能的寵物項圈
I379702 偵測遙控器之運動以控制遙控直昇機飛行的系統及方法
I333830 落花生收穫機之落花生脫莢機構PEANUT THRESHING MECHANISM OF THE PEANUT HARVESTER
I361054 桌面位置全方位可調式電腦桌
I365091 力回饋裝置
I391114 發光二極體食品溫熱器
I383821 量測球類落體的壓電式感測裝置
I341714 水族箱生態之控制系統及方法SYSTEM OF AQUARIUM WITH ECOLOGICAL CONTROL AND METHOD
I345960 具遊戲功能之攪拌杯
I400115 具開花效果之園藝型電子植物ELECTRONIC PLANT HAVING BLOOM FUNCTION
I359010 電動代步車動態能量之量測方法
I508763 可折疊式異形六旋翼飛行器
I336628 長通道消防系統FIRE CONTROLLING SYSTEM FOR LONG PASSAGE
I407912 自動電能調控的禽類電暈系統
I417053 禽類電暈機的操作系統及其操作方法
I310695 撓性仿生水母縮放推進機構
I301748 聚蚊裝置
I316409 單槓裝置之運動能量偵測方法及裝置
I321993 可隨光源轉向的人造花裝置及方法
I321998 電子式仿真環保香裝置
I321999 具模擬點燃狀態之電子式環保香、燭及其方法
I342767 主動式行動輔具
I275407 水霧幕分區消防滅火之方法及裝置APPARATUS AND METHOD FOR WATER MIST FIRE SUPPRESSION SYSTEM ON SUBDISTRICT
I287968 條狀油炸食品自動脫油機構
I288621 可擴充組合之置刀架AN ASSEMBLED RACK FOR KNIFE STORAGE
I299252 池水擾動設備TURBULENT STIRRING STIRRER
I308074 滅火器之安全裝置
I563947 曬衣裝置
I573584 病人轉位器PATIENT LIFT
I634852 對鞋面打粗及塗膠之方法
I642375 製鞋製程中之入楦品檢方法
I383769 自動縫合裝置
I667008 醫療用調整式咬口器
I524918 休閒運動定位追蹤系統及方法
I367084 音波牙刷及刷牙時產生音樂的方法SONIC TOOTHBRUSH AND METHOD FOR GENERATING MUSIC DURING BRUSH TEETH
I593404 人體移位裝置以及具有移位人體功能之照護床CARE BED WITH BODY-MOVING DEVICE
I673084 多功能自動破窗滅火設備
I674123 紅外線拔罐器INFRARED CUPPING DEVICE
I652054 具有辨色循跡移動之輪椅裝置A WHEELCHAIR DEVICE WITH A RECOGNIZING COLOR AND MOVING
I632939 田徑蹲踞式起跑訓練數據收集與分析系統
I617312 蘆筍萃取物、其製備方法及其用途EXTRACT OF ASPARAGUS OFFICINALES, THE EXTRACTION METHOD AND THE USE THEREOF
I643632 蘆筍葉萃取物、其製備方法及其用途EXTRACT OF ASPARAGUS OFFICINALES LEAF, THE EXTRACTION METHOD AND THE USE THEREOF
I593451 無人飛行載具之電池更換系統
I590756 可改善環境空氣品質之生態箱與空氣清淨系統
I695681 電宰場下腳料之低溫輸送裝置
I688382 車用輪椅升降裝置
I245600 廣角度噴射式曝氣設備WIDE-JET AERATION APPARATUS
I268758 巡曳式池水曝氣設備及其方法A CRUISE AERATION APPARATUS
I268759 迴旋式池水曝氣設備及其方法A GYRATORY AERATION APPARATUS
I410240 單一動力控制坐、升、站之裝置
I440451 整合坐、躺、站、升之電動輪椅
I495461 整合坐、站、後傾之電動輪椅
I508720 長青族智慧藥盒
I511719 單一動力控制後傾舒壓、坐及站之裝置
I535431 可省力轉動傾斜之輪椅裝置
I543781 可食用含植物性組成之素食膠囊配方及其製備方法
I549720 可切換運動模式之健身器材
I571268 美白保濕保養品之配方與製法
I666035 管路對接握持器HOLDER FOR PIPE DOCKING
I678962 智慧水耕栽培控制系統INTELLIGENT HYDROPONIC CULTIVATION CONTROL SYSTEM
I719924 菇類生長監控系統與方法
I719925 菇類採收系統
I720498 檢測回報裝置以及烹調系統DETECTION REPORT DEVICE AND INDUCTION COOKER SYSTEM
I720819 車用輪椅升降裝置之載台支撐結構
I723666 黑水虻幼蟲自動化養殖裝置
I724928 具有組裝導引功能的積木輔具
I726346 手術器械的放電測試電路與放電測試系統
I726442 按摩系統的運作方法
I728544 袋式栽培菇類自動化採收系統及其方法
I731605 自動洗米機AUTOMATIC RICE WASHING EQUIPMENT
I708546 無人機系統與人工智慧影像處理技術的液體噴灑方法
I709419 結構抑菌薄膜、其製法及其應用
I760088 泳池水道繩結構
I760678 智慧路邊停車收費機台、管理系統及收費方法(已讓與)
I765779 一種用於物件販售管理系統的系統控制方法
I768964 具5G通訊之智慧型老人行動輔助系統
I784812 具升降、站立、後傾及床式功能之輪椅
I792986 手部運動限制裝置
I803141 輔助站立裝置
I803400 遙控藥劑噴灑系統
I803401 智慧電動混合割草機
I809983 室外運動記錄系統
I813476 適用於單人照護之長照清潔系統
I814682 田徑跳高技術智能化分析系統
M645986 改良型音樂杯蓋系統
I835555 運動敏捷度分析系統及運動協調度與敏捷度分析系統
I862263 長骨骨板手術之最佳螺釘數量和位置的高效分析方法
I878032 敏捷度分析系統及敏捷度分析方法
B:作業、運輸
I495581 具衛星定位訊號讀取功能之第三煞車燈CAR THIRD BRAKING LIGHTING SYSTEM WITH USING GPS SIGNAL
I630090 鍍層及具有鍍層之樹脂槽
I679102 全口假牙之三維列印製造方法
I616267 剪刀式拉伸機構之自動生產設備AUTOMATED PRODUCTION EQUIPMENT FOR SCISSOR STRETCH INSTITUTIONS
I672202 機械手臂導引定位裝置ROBOTIC ARM GUIDING AND POSITIONING DEVICE
I673149 機械手臂觸控定位裝置ROBOTIC ARM TOUCHING AND POSITIONING DEVICE
I400117 液相萃取裝置以及應用前述液相萃取裝置的樣品前處理方法
I685417 以熱阻抗迴路設計散熱片配置於石膏模仁之方法INVESTIGATE THE MOLD TEMPERATURE OF GYPSUM WITH HEAT SINK BASED ON THERMAL RESISTANCE CIRCUIT
I558617 無人飛行載具自主飛行電腦系統及控制方法
I676578 搭載無起落架無人飛機之起飛裝置與方法
I701210 地面供電繫留無人機之捲線機構
I537086 圓筒銲接機
I580508 具空間路徑追蹤銲接機
I465343 可降低孢子發芽率之混合自組裝分子結構及其製法
I472473 硬式微鑽頭HARD MICRO-DRILL
I583586 感應充電型自行車警示燈電路A bicycle alarm light circuit with induction charge function
I335885 具有FlexRay的行車即時紀錄器
I496706 車載網路通訊系統及其模組化分析裝置VEHICLE NETWORK SYSTEM AND MODULIZED ANALYSIS DEVICE THEREOF
I516363 複眼薄膜製備方法及其應用的仿生複眼影像擷取系統
I525034 以紙為基材之超級電容器PAPER-BASED SUPER CAPACITORS
I688464 仿生增亮膜、其製法及其應用的光學元件
I699331 奈米碗狀陣列結構、其製法及其應用
I674943 自動平衡之精密螺帽
I688449 自動平衡之工具機刀把
I448401 液壓煞車裝置及其控制方法
I680089 馬賽克磚之供應裝置
I664128 振動送料平台系統
I647173 白光硒化鎘奈米晶的製備方法及使用白光硒化鎘奈米晶之白光發光裝置MANUFACTURING METHOD OF WHITE-LIGHT CADMIUM SELENIDE NANOCRYSTALS AND WHITE-LIGHT EMITTING DEVICE USING THE WHITE-LIGHT CADMIUM SELENIDE NANOCRYSTALS
I684490 帶鋸機之鋸帶歪斜檢知裝置及其應用方法
I379732 兩段式長行程奈米級精密定位系統
I274626 微表面形貌之黏附力最小化之加工方法及其微結構
I378843 多軸工具機量測裝置
I402124 迴轉式自動鏟花裝置
I408021 仿真式自動鏟花裝置
I483804 固定座的檢測與加工裝置及其作業方法
I450787 鏟花數值控制加工方法
I340679 一種五軸工具機檢測裝置
I381964 雙輪車輛車身姿態調整裝置與方法BI-WHEELED CHASSIS ATTITUDE REGULATION APPARATUS AND METHOD
I335288 具可撓性之自行車風力發電燈具
I346625 推車油壓停車系統
I352032 具有轉向直控式定止裝置之轉輪
I352033 機械式轉輪停止機構
I368558 起子重力轉軸系統
I363007 速度偵測控制裝置
I365147 磁浮運輸系統之側向控制裝置
I301111 輕航機資訊傳輸與儀表顯示方法及其系統
I371396 現代化超輕航機影像與飛行資料記錄系統及方法
I473733 車輛無線加速儀防盜裝置及方法ANTI-THIEF DEVICE AND METHOD FOR VEHICLE USING WIRELESS ACCELERATION SENSOR
I373389 眼鏡鏡片雷射切割之方法與裝置
I379725 適用於眼鏡鏡片雷射切割之夾持式夾具及其定位方法
I337120 特殊光纖切割裝置AN IMPROVED SPLICING DEVICE FOR SPECIAL OPTICAL FIBERS
I302485 工具機之平衡配重減振系統
I302486 工具機之質量阻尼器
I321533 並行雙輪驅動電動車的驅動裝置
I306063 整合型液晶顯示儀表板
I319360 具左右輪差速感測駛向之車輛定位及輪胎狀況監控系統
I320350 雕刻用刀具之斜角與端面尺寸檢測系統MEASUREMENT SYSTEM FOR INSPECTING SLOPE ANGLE AND FLAT END DIMENSION OF CARVERS
I320351 精密端銑刀之刀具影像量測裝置及方法IMAGE-MEASURING DEVICE AND METHOD FOR IMAGE MEASUREMENT OF PRECISION END-MILLS
I361142 混合自組裝分子薄膜之製法
I385117 應用液相沉積法成長氧化鋅奈米結構之製造方法
I339598 超音波抽線裝置
187635 機車混成動力傳動系統
I264399 電動輔助自行車之傳動系統
I288098 結合電動馬達與內燃機引擎之混成動力傳動系統之改良
I308887 結合電動馬達與內燃機引擎之混成動力傳動系統
I316477 結合電動馬達與內燃機引擎之混合動力裝置
I338636 液靜壓節能混成動力系統
I393653 電動車傳動系統TRANSMISSION SYSTEM FOR ELECTRIC VEHICLE
I466715 以結構顏色製備光子變色薄膜的方法與應用METHOD FOR PREPARING PHOTOCHROMIC STRUCTURAL COLORS FILMS AND ITS APPLICATIONS
I347874 微探針自動連續研磨機
I347875 砂布去砂磨薄切割複合機
I370050 砂布分條機用之非接觸式自動標線裝置
I319345 多尺寸扭力扳手工具
I501917 具奈米結構表面之氟化非晶氧化鈦薄膜及其製作方法SURFACE-FLUORINATED AMORPHOUS TITANIUM OXIDE FILM WITH NANO-TEXTURED STRUCTURES AND METHOD FABRICATING THE SAME
I300733 一種奈米級三自由度微動平台機構
I312730 全電式奈米壓印器
I387507 微型加工機的誤差量測裝置
I334830 車輛之輔助冷卻方法及其系統
I361760 電動機車馬達效能提升構造及方法
I378058 電動機車輪轂馬達變速傳動機構
I396647 電動折疊自行車FOLDABLE ELECTRIC BICYCLE
I300387 條狀物件的構造STICK TYPE ARTICLE STRUCTURE
I320382 噴射式健身設備JETTING EXERCISE EQUIPMENT
I308090 變轉速衝床
I308888 車輛防盜系統
I340723 擺動式輸送機構
I347864 送料裝置
I320353 具辨識工作件規格形狀之起子工具
I325383 車輛動態影像顯示系統及其方法
I328534 多功能車輛行車及警示資訊顯示系統及其方法
I332913 車輛之影像傳訊鎖
I367842 折疊式腳踏車
184594 一種簡易檢測數值工具機體積誤差之方法A simple measuring method for volumetric error test of CNC machine tools
I323685 一種用於三維空間定位性能檢測、三維循軌及任意軸直度量測之雷射陣列量測系統
I326630 一種檢測多軸加工機誤差之系統與方法
I410295 二自由度奈米級壓電對位平台機構
I440517 往復式自動鏟花裝置
I233907 混成電動機車傳動系統HYBRID ELECTRIC TRANSMITTING SYSTEM FOR MOTORCYCLES
I245003 電動輔助自行車傳動系統
I251535 具雙肘節六連桿型壓罐裝置
I270445 具收納功能及使用方便之螺絲起子A SCREWDRIVER WITH HANDLE FOR STORING ITS DRIVE-HEAD
I273010 軌跡自導式直線切割裝置及其方法
I282298 整合電路之移動式小型機器人之硬體裝置及方法
I283616 一種利用雷射及位置感測器所建立之鑽孔、攻牙量測裝置A DRILLING AND TAPPING MEASUREMENT DEVICE BY USING LASER AND POSITION SENSORS
I298695 萬向浮動載具
I614086 彈性筒夾自動二次加工系統及方法Machining system for tube clamper and process thereof
I587951 鏟花路徑優化方法
I485035 多面鏟花加工裝置
I527676 奈米級光學對位及壓印調平裝置
I569916 旋轉軸角度輔助定位量測系統AN AUXILIARY ANGLE MEASUREMENT SYSTEM OF ROTATING SHAFT
I572499 三維投影建構飛行器彩繪貼膜系統
I630132 三維動畫車禍現場重建方法
I694951 擺線齒輪傳動機於電動自行車助力系統
I694952 電動自行車電動補助力之諧波齒輪傳動機構
I561369 具有多材料之三維列印方法
I672173 一種具油氣回收的加油系統、油氣回收裝置及回收方法REFUELING SYSTEM WITH RECYCLING OIL GAS THEREOF, OIL GAS RECYCLING DEVICE AND RECYCLING METHOD
I640456 用於旋翼無人機之工具機系統Machine Tool System Carried by A Copter Drone
I675747 複合板材之疊層結構與其製造方法
I583600 袋式太空包菇類培養壓包機構BAG PACKAGING MECHANISM FOR MUSHROOM CULTIVATION
I306416 以金屬胚料進行角隅整緣成形方法A METHOD FOR EDGE SIZING WITH METAL WORKPIECES
I661980 雙旋翼飛行器
I648105 物件正反面識別與整列自動化設備OBJECT FRONT AND BACK IDENTIFICATION AND AUTOMATIC ARRANGEMENT DEVICE
I636837 高斷面差異形管液壓成形之預成形製程MANUFACTURE PROCESS FOR HIGH EXPANSION RATIO OF HYDROFORMING TUBE
I679075 蝸輪加工方法
I634026 以姿態重心偏移作為車門開啟預判之雙向警示系統及其姿態重心偏移偵測裝置Door opening warning system with using user attitude status detection and apparatus thereof
I404651 應用於人力車之蓄能裝置
I659912 具有自動倉儲裝置之馬賽克磚拼圖系統
I592349 具頻率調整裝置之壓電共振驅動送料機
I607848 高溫熱壓成型機
I579197 可倒踩控制電動助行車之大飛輪盤倒轉之裝置
I581880 鋸床之電磁式制振裝置
181557 一種補償雷射二極體與四象儀量測系統之設定誤差的方法
I569917 角度誤差修正裝置THE ANGLE ERROR CORRECTION DEVICE
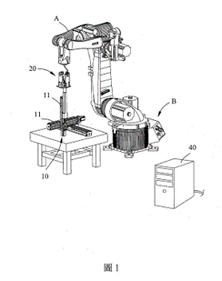
I579123 機器人校正系統與方法Robot correction system and method thereof
I592251 影像式多軸工具機校正方法及其系統IMAGE THREE-DIMENSIONAL SPATIAL ERROR DETECTION METHOD AND SYSTEM
I592252 工具機旋轉軸定位精度檢測裝置與方法ANGULAR ERROR CORRECTION DEVICE AND METHOD FOR MACHINE TOOLS
I687277 刀具磨耗預測方法
I689371 硬軌工具機的即時檢測補償裝置及其方法
I235903 機器人之教導方法及系統
I238752 奈米級五軸共平面微動平台
I242522 齒輪式機車混成動力傳動系統HYBRID MOTORCYCLE TRANSMISSION SYSTEMS WITH PLANETARY GEAR TRAINS
I244940 注氣式氣液混和器AN AIR-LIQUID MIXER
I257877 複數動力源曝氣設備之控制裝置與控制方法
I257878 移動式曝氣設備之控制裝置及其控制方法
I262117 微動機構
I264338 舌片鎖匙加工方法及加工機
I284081 協力式張合之螺絲夾持與鬆脫裝置A DEVUCE FIR A SCREW HELD AND RELEASED
I284084 多功能美工刀
I417160 嵌入式雷射雕刻裝置及其方法
I485087 電動車行星齒輪變速箱
I515086 單自由度移動之夾緊裝置
I674991 飛行記錄器搜尋系統與搜尋套組FLIGHT RECORDER SEARCH SYSTEM AND FLIGHT RECORDER SEARCH KIT
I690417 柔性電極板的製造設備與製造方法
I496705 具智慧型頭燈控制系統之車體VEHICLE WITH INTELLIGENT HEADLIGHT CONTROL SYSTEM
I717924 電解式供氧裝置ELECTROLYTIC OXYGEN SUPPLY DEVICE
I722688 具有由四段橢圓弧線組成之複合式鏈輪之自行車
I724923 震波清洗管路系統SHOCKWAVE PIPELINE CLEANING SYSTEM
I726673 混合動力車輛的系統及其控制方法SYSTEM OF HYBRID VEHICLE AND CONTROL METHOD THEREOF
I727685 高爾夫球車線控驅動系統GOLF CART DRIVE-BY-WIRE SYSTEM
I728679 曲柄搖臂驅動之貨車尾門升降裝置
I730823 應用在自行車的無段變速裝置
I733577 刀具即時影像辨識系統REAL-TIME TOOL IMAGE IDENTIFICATION SYSTEM
I735259 自動塑膠分類裝置PLASTIC AUTOMATIC SORTING DEVICE
I712544 複合式鏈輪及具有複合式鏈輪之自行車
I714098 齒輪成形方法
I714444 一種用於磨銳螺旋滾齒刀之砂輪的成形方法及以其得到的砂輪
I769947 精實精巧機構系統之展開方法
US11,290,571B2 MANY-TO-MANY STATE IDENTIFICATION SYSTEM OF EQUIPMENT NAMES THAT ARE BROADCASTED FROM INTERNET-OF-THINGS
I805432 橋樑巡檢無人機系統及其應用
I805512 具有四段橢圓弧線之自行車鏈輪結構及其設計方法
I807470 電動車可行駛中充電的增程式系統及其充電方法
I811001 菇類太空包塞蓋缺陷檢出之菇籃不間斷輸送系統
I819918 一種螺旋工件的成形加工方法
I822541 單動力源小波低頻軸向波動銑削刀座複合機構
I823664 自動化竹杯之生產方法
I824906 單動力源小波低頻徑向波動銑削刀座複合機構
I834570 具壓力感測之機械手
I853330 廢塑料回收加熱裝置
I861510 無線電能傳輸組及具有無線電能傳輸組的超音波主軸加工系統
I862947 具自適性研磨墊及曲面研磨結構
I865355 入料控制裝置
I865365 非圓形鏈輪之最佳化之設計方法
I877889 刀具之雷射加工方法
I880653 線材冷卻裝置
I882892 電動輔助自行車中置電機系統
C:化學;冶金;組合化學
I402235 具抗菌性之混合自組裝分子結構及其製法
I525057 一種抗菌防汙薄膜製作方法A METHOD OF MANUFACTURING AN ANTI-BACTERIAL AND ANTI-FOULING FILM.
I525190 咖啡生質潤滑油COFFEE BIOLUBRICANT
I664284 奈米顆粒咖啡潤滑油
I673356 全生質咖啡潤滑油
I617691 奈米片狀氧化鋅結構整合感測器元件之製造方法A production method for an integration sensor with Zinc oxide nano-sheets
I553098 (Ba1-xEux)Y2ZnO5白光發光二極體的螢光材料及其製造方法(Ba1-xEux)Y2ZnO5phosphors and producing method thereof
I540137 一種快速純化木麻黃素之方法A RAPID PURIFICATION METHOD OF STRICTININ
I649366 具次波長結構之增亮層應用於光電元件上之方法Method for implementing brightness enhancement layer with sub-wavelength structure on an electro-optical device
I670303 以仿生結構製作抗紫外線之生物分解性透明薄膜及其製法ANTI-ULTRAVIOLET BIODEGRADABLE TRANSPARENT FILM BASED ON BIONIC STRUCTURE AND METHOD FABRICATING THE SAME
I498414 製備單相鈦活化鋅鋁尖晶石奈米螢光粉體的方法
I503399 製備錳活化鋅鋁尖晶石螢光薄膜的方法
I628262 錳活化鋅鋁尖晶石氮氧化物螢光粉體的製備方法
I638031 鉻活化鋅尖晶石氮氧化物螢光粉體的製備方法
I638776 錫酸鋅尖晶石螢光粉體的製備方法
I658005 鈦活化錫酸鎂尖晶石螢光粉體的製備方法
I701217 氧化鎂/二氧化錫奈米複合材料的製備方法
I702198 奈米晶型μ-堇青石陶瓷纖維之製備方法
I702199 低介電性α-堇青石陶瓷纖維之製備方法
I704212 錫酸鋅尖晶石螢光薄膜的製備方法
I704213 錫酸鎂尖晶石螢光薄膜的製備方法
I638781 氧化鋅/二氧化錫奈米複合材料的製備方法
I482864 具有阻尼特性之組成物以及應用該組成物的阻尼器
I339690 次微米尖端電極製造方法及裝置METHOD AND APPARATUS FOR PRODUCING OF SUB-MICRO-TIP ELECTRODE
I401315 有益真菌自動化量產系統
I409329 具節能及多功能自動化生產模組之微生物固態發酵反應系統
I431115 有益真菌固態發酵精密監控設備
I404686 具抗菌性薄膜的結構之製法
I323296 微尖端電極製造方法及裝置METHOD OF AND APPARATUS FOR PRODUCING OF MICROTIP ELECTRODE
I488969 牛蒡子苷進行生物轉化製備牛蒡子苷元二聚體的方法A METHOD FOR BIOPREPARATION OF THE DIMER OF ARCTIGENIN, DIARCTIGENIN, FROM ARCTIIN ISOLATED FROM ARCTIUM LAPPA
I421210 以天然愛玉果膠分散奈米碳管之方法METHOD TO SEPARATE THE CARBON NANOTUBES BY JELLY FIG PECTIN
I450934 應用天然與食用性色素之電泳粒子、電泳液及電泳顯示幕之製法METHOD FOR FABRICATING ELECTROPHORETIC PARTICLES, SOLUTION AND DISPLAY APPLIED WITH NATURAL AND EDIBLE PIGMENTS
I455971 溫度敏感型高分子薄膜之製法METHOD FOR FABRICATION OF THE THERMOSENSITIVE POLYMER FILMS
I501921 三維類石墨烯晶體元件THREE DIMENSION GRAPHENE-LIKE CRYSTAL ELEMENT
I496752 氧化鋅奈米片構造層及其製造方法ZnONanosheets layer and producing method thereof
I295325 一種射頻共濺鍍方式沉積製造塑膠基板導電膜之裝置AN APPARATUS TO DEPOSITE A CONDUCTIVE FILM ON THE PLASTIC SUBSTRATE USING RADIO FREQUENCY COSPUTTING TECHNOLOGY
I323748 提高可撓式塑膠基板與光學硬化膜附著度之方法及系統A METHOD AND SYSTEM TO IMPROVE THE ADHESION OF A HARD COATING CONTACTS ON FLEXIBLE PLASTIC SUBSTRATES
I408249 利用電漿增強化學氣相沉積技術在可撓式塑膠基板上連續沉積有機/無機多層水氣阻障層之方法及其製品A METHOD TO PREPARE CONSECUTIVE ORGANIC/INORGANIC MULTILAYERED VAPOR BARRIER STRUCTURE ONTO THE FLEXIBLE PLASTIC SUBSTRATES USING PLASMA ENHANCED CHEMICAL VAPOR DEPOSITION AND ITS PRODUCT
I373508 以溶凝膠技術製備錳活化矽鋅礦薄膜之方法
I440693 以溶凝膠技術製備錳活化矽鋅礦奈米螢光粉體及其方法
I440695 以溶凝膠技術製備錳活化鋅鋁尖晶石綠光螢光奈米粉體及其方法
I301827 噴射式曝氣設備JET AERATION APPARATUS
I375732 電漿處理系統試片座溫控裝置
I236463 醇鹽溶凝膠技術以製取低介電性α-堇青石陶瓷纖維
I237012 醇鹽溶凝膠技術以製取奈米晶型μ-堇青石陶瓷纖維之方法
I261582 以化學改質溶凝膠技術製取連續性頑火輝石陶瓷纖維之方法CONTINUOUS ENSTATITE CERAMIC FIBERS MANUFACTURED BY CHEMICAL MODIFICATION OF SOL-GEL ROUTE
I274048 溶凝膠技術以製取奈米晶型頑火輝石陶瓷纖維FABRICATION OF NANOCRYSTALLINE ENSTATITE CERAMIC FIBERS VIA THE SOL-GEL TECHNOLOGY
I316562 一種在塑膠基板上製作二氧化矽硬化膜之材料與方法
I605031 螢光陶瓷板製備方法METHOD FOR PREPARING PHOSPHOR CERAMICS
I608020 具次波長結構之抗反射疏水透明鍍層的製法及其應用
I411579 自玻璃硬化製程所產生之廢棄物中純化硝酸鉀的方法
I477450 自玻璃硬化製程所產生之廢棄物中連續批次純化硝酸鉀的方法
I264479 微米級微小電極的製造方法
I467002 稻桿生質潤滑油STRAW BIOLUBRICANT
I725625 量子點及其製造方法QUANTUM DOT AND MANUFACTURING METHOD THEREOF
I733153 量子點之製造方法及白光元件
I741927 α-堇青石螢光粉體的製備方法
I706025 錳鈦共活化錫酸鎂尖晶石螢光粉體的製備方法
I707068 控制表面侷限氧化還原反應時間製備合金薄膜的方法METHOD FOR PREPARING ALLOY THIN FILM BY CONTROLLING SURFACE-LIMITED REDOX REACTION TIME
I711687 鋅錫尖晶石螢光粉體的製備方法
I712563 氧化鋅/氧化錫奈米複合材料的製備方法
I755347 具有奈米顆粒之潤滑油
I763281 窄半高寬ZnInP/ZnS量子點的製備方法
I766209 量子點及其製造方法及量子點發光元件
I786501 螢光粉的製備方法
I782781 高效率窄峰高穩定ZnInP/ZnS/AlOx量子點製備方法
I798119 碳量子點/矽殼層複合材料的製備方法
I805094 融合蜜蜂王漿胜肽與胡蜂毒胜肽作為新穎抗菌胜肽之製法
I825820 一種異形微細管內孔研拋設備結構
I846649 鉻活化α-堇青石紅光纖維的製備方法
I859032 近紅外光鉻活化鎂橄欖石螢光纖維的製備方法
I859723 具連通孔洞之陶瓷結構及其製程
I860168 釔摻雜氧化鋅奈米柱、電極以及自供電氣體感測器的製作方法及其自供電氣體感測器
I881573 中空奈米柱狀陣列鈦電極基板製作方法
D:紡織;造紙
I705173 以廢棄牡蠣殼造紙之方法及其成品
I551748 曬衣系統及其方法CLOTHES HANGING SYSTEM AND METHOD THEREOF
E:固定建築物
I322846 光電感控的鎖具
I357946 具有LED光源功能的天花板
I440761 自動修改密碼之鑰匙及鎖具系統
I444528 以光之顏色與亮度控制開鎖之鎖裝置
I666362 具能量吸收之消波塊結構
I697603 路面瀝青貼片之製造方法
I522519 聲紋防盜系統及其方法VOICEPRINT ANTI-THEFT SYSTEM AND METHOD THEREOF
I285233 光電式紫外線隱藏鎖
I464315 具有權限設定之自動修改密碼之鑰匙及鎖具系統
I499711 以磁力為媒介且具角度判斷之鎖具系統
F:機械工程;照明;供熱;武器;爆破
I672437 智慧型油氣回收裝置INTELLIGENT OIL GAS RECYCLING DEVICE
I422780 具高效率散熱模組之高功率LED光源系統及其散熱方法HIGH POWER LED LIGHT SOURCE MODULE SYSTEM WITH HIGHLY EFFICIENT HEAT DISSIPATION AND ITS COOLING METHOD
I457502 能量回存器
I628365 封閉型液壓煞車設備
I628366 封閉型液壓煞車設備的煞車方法
I703297 自動控制臭氧供應量的消毒系統
I550213 凸輪傳動之五連桿機構
I512219 連桿式可變速傳動裝置
I461635 具防結霜散熱結構之發光二極體燈具及其控溫方法LED LIGHT WITH HEAT DISSIPATING STRUCTURE CAPABLE OF AVOIDING FROSTING OVER AND TEMPERATURE CONTROLLING METHOD THEREOF
I653398 具有輔助校正功能之吊扇及使用其之系統CEILING FAN WITH SUPPLEMENTARY BALANCE CALIBRATION AND SYSTEM USING THE SAME
I564492 變速裝置
I664348 主動式內燃機活塞氣阻減壓裝置
I676751 連桿式自動升降裝置
I401374 螺帽結構
I357470 高承載線性滑軌結構
I393827 氣簧式避震裝置與方法THE PNEUMATIC SPRING SHOCK ABSORPTION APPARATUS AND METHOD
I366632 致動器離合機構
I374977 可調式握力器發電機構
I400405 具導航功能之手電筒ELECTRIC TORCH HAVING NAVIGATING FUNCTION
I411746 具高效率散熱功能之照明裝置ILLUMINATION DEVICE HAVING HIGH EFFICIENCY OF COOLING FUNCTION
I321193 對抗地震的釘子之系統
I334914 高效散熱式多用途LED燈具
I319464 高效益打釘槍專用釘
I411732 具有非圓形齒輪之連動機構
I382134 均勻混色的多色光發光二極體陣列結構MULTI-COLOR LIGHT EMITTING DIODES ARRAY STRUCTURE WITH UNIFORMITY COLOR MIXING
I434000 連桿式無段變速裝置
I440785 機械式無段變速裝置
I444547 脈動式無段變速裝置
I444548 無段變速裝置
I394911 多面向發光二極體燈具
I418741 照明裝置
I449861 發光二極體優化照明裝置OPTIMIZED LED ILLUMINATING DEVICE
I386604 具有雙入風口之單馬達排油煙機
I440816 標靶裝置及偵測彈著點位置的方法TARGET DEVICE AND IMPACT POSITION DETECTION METHOD
I340818 可接收具有不同入射角之光線的太陽能收集器
I355478 省電型太陽能板追光傳動機構
I311607 廢熱氣流風力發電裝置WASTE WIND POWER GENERATEING APPARATUS
I386603 具有雙入風口之單風扇排油煙機
I431208 液壓煞車裝置
I440779 減少熱產生的液壓刹車裝置
I322241 兩齒差滾子傳動裝置及其製法ROLLER DRIVES WITH TWO-TOOTH DIFFERENCE AND ITS FABRICATION METHOD
I298769 仿水母推進機構
I323324 混合變轉速系統
I354742 變轉速傳動機構
I312402 使排油煙機具有安全殺菌除污功能的方法及其裝置
I315777 光源尋跡定位系統及方法
I319065 特殊軌跡之產生裝置
I326746 線性滑軌行走平行度量測裝置
I257460 輪轂式變速裝置TRANSMISSION HUBS
I272351 運動可調之往復運動機構
I273162 無段式汽門正時調整裝置
I288206 防止引擎重覆啟動之控制裝置及方法
I299394 使用於太陽能熱水器的新穎集熱器
I354741 阻尼自動調節避震器AUTOMATIC ADAPTED DAMPING SHOCK ABSORBER
I650494 用於諧波齒輪箱的自動調心裝置
I650497 中空型諧波齒輪箱結構
I705207 RV減速傳動機構
214545 變速裝置Transmission system
I634284 半連續批式裂解反應爐之結構STRUCTURE OF SEMI-CONTINUITY BATCH PYROLYSIS REACTOR
I664386 駐波相移能量均勻裝置DEVICE FOR PHASE-SHIFT ENERGY CONSISTENCY OF STANDING WAVES
I561782 太陽能板特性檢測設備Solar Cell electric properties detecting apparatus
I585348 空氣清淨裝置Air cleaning apparatus
I592591 滾珠螺旋連續曲線變速傳動裝置
I456125 傳動機構
I457504 轉換機構及具有轉換機構之燈扇
I460365 諧波減速機之剛性環齒輪與撓性行星輪及其製法
I481793 以MIDI編碼法為基礎的情境燈具及其控制方法Situational lighting implement based on MIDI coding and controlling method for the same
I502133 雙渦卷式流體壓縮裝置
I545263 內渦卷、外渦卷及渦卷機構之創成方法
I718439 具有非圓形齒輪組之內燃機引擎
I718664 齒輪變速機構GEAR VARIABLE-SPEED MECHANISM
I720907 室內家電控制系統及方法
I732731 自動照明裝置AUTOMATIC LIGHTING DEVICE
I747174 位置控制系統POSITION CONTROLLING SYSTEM
I754562 主軸熱溫升量測補償系統與方法
I754563 空間精度誤差量測方法
I756674 可變金屬沖壓模具模面系統
I757724 無線電力傳輸器及電力供應系統
I757769 訊號偵測器,訊號轉換器,電源控制器與訊號轉換方法
I761126 線上工件尺寸與幾何精度檢測裝置
I762304 具區段近似與差壓零點校正的平流層大氣量測系統
I767761 L型音源線之阻隔電磁波貼紙自動包覆機
I767795 馬賽克磚影像資料庫之建立方法及其應用方法
I768679 具有低功耗與抗干擾之追蹤系統及其方法
I768994 彎曲管件之高壓塑膠射出製程
I770520 水平監控與調整系統
I771166 仿生科技實驗教學系統及其使用方法
I771757 工具機精度預測與補償系統
I772105 智慧檢測載具
I772154 基於物聯網的語言學習記憶系統
I775563 全域式頻域光學同調斷層掃描系統
I775684 骨架型熔噴濾芯之製造裝置
I776196 低溫製造微型發電機的製程方法
I776735 棧板堆疊狀態檢測系統及其方法
I786434 機械運轉監控方法及機械運轉監控系統
I786509 農舍沼氣再利用溫控循環系統
I781794 互動學習系統及互動學習方法
I786978 固定翼無動力飛機控制系統
I784798 可控制送料路徑之振動送料平台系統
I780703 四埠電能轉換器
I786581 蔗渣空氣過濾器及其製備方法
I779362 可調式放電加工電源產生電路以及使用其之放電加工機
I784868 貨車尾門之翻轉控制裝置
I783691 刀具狀態監測系統及其方法
I785643 無人機導遊定位系統
I799157 圓弧齒型偏擺減速機
I821093 單動力源二自由度行星齒輪M級減速複合機構
I822542 單動力源二自由度行星齒輪增速複合機構
I828465 以踏板扭矩產生非對稱鏈輪之方法
G:物理
I646499 公共電力輔助自行車充電系統與方法(已讓與)
I403994 射頻識別互動學習模組、系統及方法RADIO FREQUENCY INTERACTIVE LEARNING MODULE, SYSTEM AND METHOD THEREOF
I636291 透鏡安裝裝置LENS INSTALLATION DEVICE
I662290 航空物聯網與圈養動物之穿戴式系統
I696817 用於化合物分析之樣品前處理的淨化裝置及應用淨化裝置的快篩式樣品前處理方法
I384218 改良之生物晶片微流道分歧結構AN IMPROVED BIOLOGICAL CHIP MACRO CHANNEL DIVERGENT STRUCTURE
I435065 自動試劑注入模組及方法AAUTOMATIC REAGENT INJECTION MODULE
I439692 微流道分歧設計之生物晶片
I344636 具有可懸空彈奏之隱形鍵盤的樂器
I642032 門禁管理系統
I443549 可攜式模組化小型無人載具之多機導控系統及其操控方法PORTABLE MODULARIZED MULTI-CONTROL SYSTEM AND METHOD FOR MINI UAVS
I544211 可以偵測氣泡的方法與裝置
I575219 相位型全場角度偏向顯微鏡之量測方法及其量測裝置
I688754 共光程外差式微小偏極旋轉測量計及方法
I361407 風扇顯示裝置
I458952 滾珠螺桿及滾滑動元件之界面性能測試裝置
I472714 楔型面接觸之油膜厚度分析裝置
I490451 調節器檢測裝置及其用以檢測調節器之方法REGULATOR DETECTION DEVICE AND ITS METHOD FOR DETECTING A REGULATOR
I491844 3D形貌分析方法
I679412 潤滑油中磨屑之偵測方法
I509536 齒輪箱組裝誤差之診斷方法
I349896 居家嬰幼兒防護的警示系統及其方法
I395156 具備CAN節點之行車影像與資訊紀錄器
I499766 具有高靈敏度之表面電漿共振偵測方法及其應用之偵測系統
I548870 可調靈敏度的相位量測系統
I536139 溫度補償電路TEMPERATURE COMPENSATION CIRCUIT
I516758 具三維孔洞的反蛋白石光子晶體結構的酒精濃度感測器及其製備方法及其乙醇濃度測試方法
I593995 以蠶絲絲素蛋白製作無染料彩色隱形眼鏡之製法及其製品
I573108 電磁感應教具組Electromagnetic induction teaching aid kit
I676056 具有顏色效果改變的裝置
I690904 智慧型存錢筒SMART PIGGY BANK
I703318 雙無人機空污追蹤系統
I404910 用於精密機具之球形透鏡檢測裝置
I472712 垂直度與平行度檢測系統及其檢測方法
I447388 鏟花刀具磨耗檢測方法
I411762 鏟配件表面檢測及快速彩色記號標註裝置及方法
I379988 鏟配件表面檢測及自動化品質檢測裝置
I379989 具有取樣原點設定功能之掃描裝置
I383125 應用雷射光源掃描鏟花表面的裝置與方法
I383170 光入射方位及功率判斷裝置及其應用INCIDENT LIGHT DIRECTION AND POWER DETECTING APPARATUS AND APPLICATION THEREOF
I386872 太陽能板無線監控系統及其控制方法A SOLAR PANEL ASSOCIATED WITH A WIRELESS MONITORING SYSTEM AND A METHOD FOR CONTROLLING THE SAME
I333062 以感測電位測試魚肉新鮮度之方法及裝置METHOD AND SYSTEM FOR DETERMINING FRESHNESS OF A FISH BY DETECTING ELECTRIC POTENTIAL
I339725 待檢試樣之透氧氣性能測定裝置及其方法METHOD AND APPARATUS FOR DETERMINING OXYGEN PERMEATION
I440877 辨識定位之追蹤系統TRACKING SYSTEM FOR IDENTIFICATING AND POSITIONING
I505220 結帳系統及其方法FAST ACCOUNTING SYSTEM AND THE METHOD
I295430 USB界面一對多無線連結嵌入式順序控制系統
I346283 污水處理系統的網際監控系統及方法SUPERVISORY SYSTEM AND METHOD FOR WASTEWATER TREATMENT SYSTEM
I403910 嵌入式網際監控控制系統EMBEDDED NETWORK MONITOR AND CONTROL SYSTEM
I430206 磁性壓力感測警報器
I434234 具有緊急消防電源供應器之消防警示系統
I460415 攜帶型汽車避震器檢測裝置PORTABLE SHOCK ABSORBER INSPECTING DEVICE FOR VEHICLE
I391637 背光模組輝度之類神經網路計算方法及其系統METHOD AND SYSTEM OF USING NEURAL NETWORKS TO COMPUTE LUMINANCE OF BACKLIGHT MODULES
I391638 利用影像亮度計算背光模組輝度的方法與系統METHOD AND SYSTEM COMPUTE BACKLIGHT MODULE LUMINANCE BY USING IMAGE INTENSITIES
I391639 以多片背光模組個別的影像亮度平均值與標準差訓練類神經網路來計算背光模組輝度的方法與系統METHOD AND SYSTEM COMPUTE BACKLIGHT MODULE LUMINANCE BY USING NEURAL NETWORKS TRAINED BY AVERAGES AND STANDARD DEVIATIONS OF IMAGE INTENSITY VALUES OF BACKLIGHT MODULES
I394938 利用背光模組檢測點統計值訓練類神經網路來計算背光模組輝度之系統及其方法SYSTEM AND METHOD FOR COMPUTING BACKLIGHT MODULE LUMINANCE BY USING NEURAL NETWORK TRAINED BY STATISTIC VALUES OF BACKLIGHT MODULE INSPECTION POINTS
I447379 用於太陽能電池內部缺陷的影像處理之電腦程式產品、偵測設備及偵測方法IMAGE PROCESSING COMPUTER PROGRAM PRODUCT, DETECTION APPARATUS AND DETECTION METHOD FOR INTERNAL DEFECTS IN SOLAR CELLS
I494549 利用多核心支援向量迴歸之背光模組輝度檢測方法及檢測器A LUMINANCE INSPECTING METHOD FOR BACKLIGHT MODULES BASED ON MULTIPLE KERNEL SUPPORT VECTOR REGRESSION AND APPARATUS THEREOF
I295009 一種遙控與自動重置以確保穩定的嵌入式作業系統與方法
I308300 指節紋身份辨識方法及裝置IDENTIFICATION OF ALGORITHM AND APPARATUS BASED ON KNUCKLE WRINKLES
I308767 感測器參數調校方法
I349769 定量性應力應變偏光測定機POLARI-METER FOR QUANTITATIVE STRESS/STRAIN MEASUREMENT
I374252 鋸條尺寸參數之影像測量裝置及方法IMAGE MEASUREMENT DEVICE AND METHOD FOR DIMENSIONAL PARAMETERS OF SAW
I457535 不規則物件尺寸之量測方法及其裝置MEASUREMENT METHOD AND DEVICE OF IRREGULAR OBJECT SIZE
I513952 具自動校正垂直度功能之薄膜厚度量測裝置及其量測方法
I388817 臨界角法結合CCD作物件缺陷量測之方法及裝置
I394946 物體缺陷之量測方法及其裝置
I436028 臨界角法量測橫向位移、定位、速度之裝置及方法THE TRANSVERSE LOCATION, DISPLACEMENT, AND VELOCITY MEASUREMENTS BY USES OF THE CRITICAL ANGLE DEVICE AND METHOD
I436029 光學式強度型三維表面形貌與顯微量測裝置及方法THREE DIMENSIONAL SURFACE PROFILOMETER AND MICROSCOPY, AND THE METHOD USING THE SAME
I467227 穿透式三維顯微裝置及方法THREE-DIMENSIONAL MICROSCOPE DEVICE AND METHOD USING THE SAME
I467236 三維形貌遙測系統及方法THREE-DIMENSIONAL APPEARANCE REMOTE MEASURING SYSTEM AND THE METHOD USING THE SAME
I473963 一維掃瞄表面形貌量測裝置與方法ONE-DIMENSIONAL LASER-SCANNING PROFILOMETER AND METHOD
I495841 高解析度反射式三維光電顯微鏡
I271507 子彈加工痕跡機電整合比對方法
I320482 磨損實驗儀器之樣品表面粗度之檢測方法
I352188 雙光探針檢測透明物體之厚度與間隙的裝置及方法
I352189 掃描式三角測量系統及方法
I379990 垂直度檢測器的校正裝置及方法
I394943 雙光點檢測單元、應用該單元的檢測裝置及方法
I437208 長度量測裝置
I451064 結合影像量測儀的雷射位移量測裝置及方法
I386655 變壓器等效電路元件之量測方法
I392859 可量測光之色度座標與亮度之裝置與方法A NOVEL METHOD AND EQUIPMENT FOR MEASURING CHROMATICITY COORDINATE AND INTENSITY OF LIGHT
I408346 太陽光功率判斷方法,裝置及其應用INCIDENT SOLAR POWER DETECTING METHOD, APPARATUS AND APPLICATION THEREOF
I305278 繞射光柵元件模仁及光柵元件之製造方法
I456276 具單光柵波導之非對稱布拉格耦合聚合物過濾器的製造方法METHOD OF FABRICATION FOR AN ASYMMETRIC BRAGG COUPLER-BASED POLYMERIC FILTER WITH A SINGLE-GRATING WAVEGUIDE
I291660 具備智慧型與可攜式之IC卡快速檢測系統及其方法
I345736 無線感測網路的警示系統及其控制方法ALARM SYSTEM WITH WIRELESS SENSOR NETWORK AND CONTROL METHOD FOR THE SAME
I365427 書法教學之電腦廣播系統及其USB手寫板之切換模組BROADCAST SYSTEM OF COMPUTER FOR TEACHING PENMANSHIP AND UNIVERSAL SERIAL BUS (USB) WRITING BOARD SWITCH MODULE
I366803 具備自我偵測的車位識別系統
I347432 旋光物質溶液濃度量測系統
I376676 一種高靈敏度可區分背景光之位置偵測器
I393892 電光訊號探測方法及其探測系統
I399533 表面電漿波調制器及調制方法
I318692 具有三色混合波導及光束強度控制閥之光學投影系統
I409449 具有可調式微凹面鏡的生物檢測裝置
I238260 最佳脈衝充電頻率之量測方法及其裝置
I323780 環烯烴聚合物基板表面鍍膜附著力測量方法A MEASURING METHOD FOR ADHESION BETWEEN CYCLIC OLEFIN COPOLYMER(COC) SUBSTRATE AND COATING LAYER
I387744 三維紅外線光譜量測方法
I401520 愛玉果膠複合凝膠微膠囊、其製法及在電泳顯示元件上之應用
I506266 辨識真假酒的變色晶片及其製法TRUE AND ADULTERATE LIQUOR RECOGNIZABLE COLOR-CHANGING CHIP AND METHOD MAKING THE SAME
I293125 一種可在沒有相對應物質共振子的光波頻率處產生幽靈共振之方法
I308225 一種可選擇性啟動之主動式增加電磁波穿過比例之裝置
I344015 一種產生非對稱性反射及折射的方法
I357992 一種快閃光的產生方法
I399531 具有特徵轉換效果之放電影像成形方法
I290211 高精度兩段式三角雷射共焦探頭
I302984 一種利用原子力顯微鏡為基台進行拉伸試驗的裝置與方法
I318681 應用像散法於透明體與半透明體厚度檢測之系統
I345624 一種應用於透明體與反射體間之平行量測裝置與方法
I390174 一種量測透明基板厚度與折射率之架構
I398877 直度誤差量測裝置
I414747 一種五自由度光學尺系統
I426229 線性平台五自由度量測系統
I344541 平面式發光體之檢測系統及方法
I442272 PVDF壓電薄膜式觸控面板及其控制方法
I363332 冷光板驅動介面及其應用之驅動方法
I393896 發光二極體之晶片溫度量測系統及量測方法
I393910 變壓器故障分析量測系統
I472761 球體自動測試裝置
I303044 一種具衛星定位之手持式無線辨識巡邏裝置
I339784 用於時鐘裝置之校正棒及其校正方法
I340236 遠端量測紫外線即時監控系統
I349787 望遠鏡專用影像擷取顯示裝置
I362633 車輛間之行車資訊傳遞系統
I372852 電子數位量角尺
I375010 光電式多功能數位量角器
I320478 一種二維光電式高精度角度量測系統A TWO DIMENSIONAL OPTOELECTRONIC HIGH ACCURATE ANGLE MEASUREMENT SYSTEM
I320479 一種利用多重反射原理所建立的光電式六自由度量測系統ONE OPTOELECTRONIC 6 DEGREE OF FREEDOM MEASUREMENT SYSTEM BASED MULTI-REFLECTION PRINCIPLE
I320480 一種繞射式六自由度光電量測系統ONE DIFFRACTION 6 DEGREE OF FREEDOM OPTOELECTRONIC MEASUREMENT SYSTEM
I348537 光電式六自由度量測系統ONE COMPLEX 6 DEGREE OF FREEDOM OPTOELECTRONIC MEASUREMENT SYSTEM
I361886 一種線性移動單元靜力矩量測裝置
I372857 一種非接觸式振動量測裝置
I384196 一種應用單光源於取放機構檢測X軸定位誤差與Y軸定位誤差之裝置
I385355 導螺桿及螺帽牙型非接觸式量測方法及其裝置
I388795 幾何誤差檢測裝置
I390198 一種線性摩擦阻力量測裝置
I398622 雷射干涉儀檢測角度誤差之裝置與方法
I401420 一種應用分光束檢測取放機構多軸誤差之裝置
I401554 一種應用單光源檢測取放機構定位及角度誤差之裝置
I405049 雷射直寫式奈米週期性結構圖案製程設備
I405057 五軸工具機動態路徑檢測方法及其裝置
I405950 光學式機台校正檢測裝置
I411765 光學檢測平行度裝置
I414756 雙光柵訊號量測系統
I425334 混合式六自由度奈米級精密定位平台系統
I226436 光纖感測器量測系統
I230798 光學顯示用可撓式塑膠基板與製法及其應用所製成之光學元件FLEXIBLE PLASTIC SUBSTRATE FOR OPTICAL DISPLAY AND PRODUCING PROCESS
I231365 使用四象儀與雷射二極體之三維振動位移量測系統
I232923 單軸六自由度光學量測系統及方法
I233483 軸封動態測試方法與裝置
I233558 氣液壓順序控制的電腦自動設計方法
I234644 具溫度與磁滯補償之荷重元系統及方法
I235228 一種用光學尺量測技術結合原子力探針在二維平面量測的裝置
I235233 微型主軸迴轉精度量測裝置
I247095 一種光學式旋轉軸誤差量測裝置
I247928 可調式液晶積體光學元件
I249609 一種繞射式角定位五自由度量測裝置
I249610 一種繞射式角定位多自由度量測裝置
I250269 表面電漿波微小角度之測量方法
I250303 載具之整合定位系統與方法INTEGRATED LOCATION SYSTEM AND METHOD OF VEHICLE
I255922 預測式電池快速充電系統與方法
I270659 一種利用反射原理之光學式水平量測裝置
I271513 一種應用角隅稜鏡與四象限感測器建立奈米級解析度之三軸振動量測裝置
I272383 光纖生化感測方法及系統
I273218 干涉信號處理的方法
I273518 載波式紫外線火災偵測警報器
I274139 即時量測平台角度誤差之光學式量測單元及其方法
I274140 一種利用繞射原理之光學式水平量測裝置
I274150 角度偏移顯微裝置及方法ANGULAR DEFLECTION MICROSCOPE AND METHOD
I274845 一種使用單一鏡頭偵測物體邊角及距離之裝置
I280416 正三角形微透鏡陣列及其設計方法與製法
I287613 雙軸六自由度振動量測系統
I287614 一種利用光學像散原理應用於自由曲面之量測系統與方法
I287616 一種高精度奈米級旋轉軸誤差量測方法與裝置
I287617 一種雙光束雷射干涉儀檢測直度誤差之系統與方法
I287620 加速度計感測車輛轉向角度之方法與裝置ALGORITHM AND APPARATUS FOR AUTOMOBILE ANGLE MEASUREMENT BY A TWO-AXIS ACCELEROMETER
I292816 一種檢測五自由度誤差系統
I292817 非接觸式之雙向雷射探針
I299452 1對多拷貝通用串列匯流埠(USB)磁碟的裝置1 TO MULTIPLE USB-DISK DATA COPY SYSTEM
I315039 具USB介面之嵌入式主從數位廣播系統EMBEDDED SERVER/CLIENT OF HAVING USB INTERFACE DIGITAL BROADCAST SYSTEM
I579671 結合無人飛行載具的行動式追蹤紀錄系統MOBILE TRACKING RECORD SYSTEM COMBINED WITH UNMANNED AERIAL VEHICLE
I350923 雷射指向器校正方法
I352191 雷射指向器及其指向方法
I632344 光學式轉軸多自由度誤差檢測裝置與方法(二)An optical detecting apparatus for detecting a degree of freedom error of a shaft and a method thereof (2)
I633274 光學式轉軸多自由度誤差檢測裝置與方法(一)An optical detecting apparatus for detecting a degree of freedom error of a shaft and a method thereof (1)
I633320 磁鐵檢測裝置
I633312 量測交叉滾子軸承溝道精度的方法及系統
I565952 微型多節點電力監控系統MICRO MULTIPOINT ELECTRIC CURRENT METER OF NODE MONITORING SYSTEM
200415 載具之GPS /INS定位系統的訊號感測及輸出控制方法與系統
I561792 多頻段通訊與導航之緊急照明系統及方法
I304936 電腦網路定位追蹤方法及系統
I422811 可攜式生物化學檢測裝置
I575234 以光穿透率面積監控潤滑油含水量之檢測方法
I427287 有機薄膜材料劣化檢測方法
I421738 組合式人機互動裝置COMBINATIVE INTERACTIVE DEVICE
I681184 應用於PCB多層板之非接觸式上下層銅厚的量測方法
I556078 動態電壓恢復器與其瞬變電壓控制機制DYNAMIC VOLTAGE RESTORER AND TRANSIENT VOLTAGE CONTROL MECHANISM THEREOF
I579676 動態電壓恢復器DYNAMIC VOLTAGE RESTORER
I662513 田徑徑賽運動之軀體核心能力監控暨分析平台
I597696 太陽能聚集教具組Solar energy accumulative teaching aids
I604191 整合型染料敏化太陽能電池暨感測器之封裝方法Producing method of Self-powered dyed-sensitized sensor
I604192 整合型光敏自發電感應器的製造方法Producing method of Self-powered photosensitive sensor
I641935 無人飛行載具強制導引飛航之系統及方法System and Method for Unmanned Aerial Vehicle Mandatory Flight Guidance
I591476 智慧家電排班系統
I570430 次波長結構抗反射薄膜之製造方法及具有次波長結構抗反射薄膜的染料敏化太陽能電池Producing method of anti-reflection sub-wavelength optic film and dye-sensitized solar cell thereof
I666620 二進制與原子序轉換訓練方法、系統及教具METHOD, SYSTEM AND TEACHING AID FOR TRAINING A CONVERSION BETWEEN BINARY SYSTEM AND DECIMAL SYSTEM OF ATOMIC NUMBERS
I693536 多功能指示件MULTI-FUNCTIONS INDICATING DEVICE
I304959 光電主動式語音禁煙警示器
I444652 鏡頭總成ZOOM LENS
169667 雷射內藏式量測連桿機構
172294 一種使用雷射二極體及四象儀檢測旋轉軸誤差之方法A method to measure the spinclle error by using a laser diode and a guadraut sensor
198700 使用光槓桿原理檢測旋轉軸誤差之方法
200206 一種奈米級閉迴路四軸平台機構The mechanism of a four-freedom, nano-scale closed-loop stage
201367 一種利用平面光學尺檢測六自由度平台誤差的方法
201877 一種五自由度環型光柵式旋轉軸量測系統
201878 一種以二維光學尺作六自由度量測的系統
201880 一種利用光柵繞射原理所建立之四自由度量測系統
202600 一種使用光柵式干涉儀之三維量測系統A 3D MEASURING SYSTEM BY USING DIFFRACTION GRATING INTERFEROMETRY TECHNIQUE
205592 一種負荷切削下數值工具機動態性能測試機構A measuring device for performance tests of CNS machine tools under cutting conditions
205945 可量測五自由度訊號系統
206083 一種簡易的玻璃厚度的量測系統
I647486 平行雷射光之產生裝置及應用此裝置之雷射光分光角度調整方法
I676159 設備光訊號感測監控系統OPTICAL SIGNAL DETECTING SYSTEM FOR MACHINE
I690786 動態節點新增系統及方法
I695286 切削動態模擬方法
I220688 一種反射式光柵量測旋轉軸誤差裝置與方法A DEVICE OF REFLECTIVE DIFFRACTION GRATING MEASURE REVOLVING SPINDLE
I224188 一種奈米級雙軸輪廓量測裝置A NANO-SCALED TWO-AXIS CONTOURING MEASURING SYSTEM
I235969 攜帶型航行資訊顯示方法
I238953 氣液壓迴路動態模擬的電腦輔助設計方法
I239385 一種穿透式光柵量測旋轉軸誤差之裝置
I240080 一種使用外差方法做成的電光映像量測系統
I243886 一種可檢測高速循軌性能裝置ONE MEASUREMENT DEVICE FOR HIGH-SPEED CONTOURING TESTING
I243888 繞射式三角雷射讀頭及其檢測誤差之方法
I243892 以多波長光源結合全反射外差干涉技術量測色散之方法及系統A METHOD OF MEASURING OPTICAL DISPERSION BY USE OF MULTI-OPTICAL SOURCE HETERODYNE INTERFEROMETRY
I245877 一種利用位置感測器平板所建立之工具機量測裝置A MACHINE TOOL MEASUREMENT DEVICE WHICH IS USING POSITION SENSORS
I245878 一種線性雙軸幾何誤差之量測裝置
I260394 一種奈米級旋轉軸誤差量測裝置
I261663 即時量測真圓度量測儀誤差之量測裝置及補償方法
I262291 以像散法檢測傾角與鎖零的方法及裝置
I262300 一種長距離紅外線可調式煙霧感測器A LONG DISTANCE TUNABLE INFRARED SMOKER DETECTOR
I262424 雷射光點位置偵測方法與裝置METHOD AND APPARATUS FOR DETECTING THE LOCATION OF A LASER SPOT
I263036 一種雙軸五自由度量測裝置與方法
I264528 一種紫外線指數即時量測方法
I264629 運動可調標準凸輪系統
I267647 電池老化程度量測裝置與方法
I283736 利用貓眼反射器量測旋轉軸誤差裝置
I285254 一種高精度旋轉軸熱變形量測系統
I285259 即時量測紫外線於人體皮膚生成維他命D3劑量之儀器與方法
I285743 一種應用非接觸式電光探測球型格狀陣列基板之測試系統與方法
I440818 花瓣厚度檢測系統
I444653 鏡頭總成ZOOM LENS
I457869 有聲書
I458948 踩踏式作動裝置的扭力偵測機構
I464378 包含滾珠之元件測試裝置
I485364 具無線式管理功能之方向距離顯示裝置及管理系統
I503752 條碼掃描傳輸裝置及其系統及其方法Barcode scanning-transmitting apparatus and system for the same and method for the same
I612503 心臟除顫器練習機及其練習方法AUTOMATED EXTERNAL DEFIBRILLATOR SIMULATOR AND METHOD OF USING SAME
I626519 具有定位技術之移動裝置及其方法A MOVEMENT DEVICE WITH A POSITIONING TECHNOLOGY AND METHOD THEREOF
I646462 集體活動結果輸出系統Massive activity results reporting system
I716247 吸收光譜偏移偵測方法
I718967 智慧型置物系統INTELLIGENT STORAGE SYSTEM
I730694 智慧化水平精度系統
I730889 以紅外線檢測待測液中含水量之方法
I735258 裝設於無人機鏡頭的鍍膜元件COATING ELEMENT FOR DRONE LENS
I736280 基於生物特徵的身分驗證方法
I739622 多光點雷射測距儀以及利用多光點雷射測距儀判斷反射光束種類及中心點位置之方法MULTI-LASER RANGEFINDER AND THE METHOD OF DISTINGUISHING REFLECTION OF LASER THEREOF
I743982 充電樁與無樁混和式自行車租賃系統及其管理方法
I745995 教學輔助系統
I747390 環境監視系統
I749742 工具機主軸診斷方法
I750824 潤滑脂磨屑檢測方法
I707215 袋式栽培菇類生長環境監控方法與系統
I713890 運動姿勢分析系統及其方法SPORT POSTURE ANALYSIS SYSTEM AND METHOD THEREOF
I755126 應用於感測食品添加劑的反蛋白石水凝膠感測器及其製法
I793051 菇類栽培物聯網監測系統與方法
I796801 電動載具的使用記錄系統
I797014 桌球姿勢分類方法及桌球互動系統
I800137 智慧型無人機鐵道監控系統及方法
I801324 冷凍設備遠端故障診斷系統及其方法
I803768 機械生產組裝資訊數位化履歷系統
I806237 機器人系統及機器人控制方法
I806721 自主移動式人工智慧菇類栽培監控系統及方法
I810486 擴增實境即時互動售服維修系統
I812118 微型多重檢測晶片、多重檢測設備及其檢測方法
I818361 具控制權轉移和備用航空感測器的雙自動駕駛系統
I821129 田徑鏈球項目之整合型感測分析系統
I823088 可維持保持電流之單線式控制裝置與單線控制方法
I830392 無人機半開源控制系統及其設計方法
I832732 外掛式定位誤差檢測系統及方法
I834215 機械工具健康狀態的監測方法
I841029 反射式諧振感測器的相位檢測方法
I845155 電池充放電功率動態調配系統及調配方法
I849620 光學高精度多軸水平儀
I849794 工具機之即時監測方法及系統
I853747 以單一攝影機應用球體模型計算球體旋轉狀態之方法
I871940 具有力感測與資料傳輸功能之智慧腳座及精密設備水平精度調整方法
I872624 加工機加工過程異常檢測裝置及其方法
I879607 新型表面電漿波相位感測器
I882874 工具機多軸同動綜合精度評估系統
H:電學
I528703 耦合電感倍流式變頻器DOUBLE CURRENT CONVERTER WITH COUPLED INDUCTOR
I484855 結合無人飛行載具的互動式區域性資訊播放系統INTERACTIVE REGIONAL INFORMATION BROADCASTING SYSTEM COMBINED WITH UNMANNED AERIAL VEHICLE
I442438 氣盾式大氣壓下化學游離裝置以及應用該游離裝置之質譜分析系統
I683572 基於畫面動態資訊的視訊位元率傳輸控制方法
I699062 具有寬能隙功率開關的功率模組POWER MODULE HAVING WIDE-BANDGAP POWER SWITCH
I452797 二次電池組充放電平衡偵測及充電裝置EQUIVALENT STATUS DETECTING AND CHARGING DEVICE FOR SECONDARY BATTERY PACKAGE
I530081 高效率單級高功因電力轉換電路High efficiency and high power factor single stage power inverter
I552494 搭配高頻切換電路之具倍流效應與高降壓比例之整流電路HIGH VOLTAGE RECTIFIER WITH DOUBLE CURRENT OUTPUT
I552498 同步自激式單級高功率因數轉換電路A Synchronized self-excited trigger control for single-stage converter with high power factor correction
I556689 自行車無線充電之不斷電警示燈電路A bicycle uninterruptible power supply alarm light circuit with wireless charge function
I565206 單級高功因之推挽式轉換器Signal stage High power factor Push-Pull Converter
I578683 單級高功因之雙順向式轉換器Single stage High Power Factor Dual-forward Converter
I661647 電池快速平衡電路A Fast Balancing Circuit for Battery
I516149 具有容錯機制之FlexRay混合拓樸網路及其控制方法HYBRID TOPOLOGY OF FLEXRAY NETWORK WITH FAULT-TOLERANT MECHANISM AND CONTROLLING METHOD THEREOF
I412200 具多組輸出之太陽能電源轉換系統及其轉換電路SOLAR POWER CONVERTER WITH MULTIPLE OUTPUTS AND CONVERSION CIRCUIT THEREOF
I436578 馬達控制與煞車回充系統MOTOR CONTROL AND REGENERATIVE BRAKING SYSTEM
I439008 雙向換流電路及電動載具驅動系統BIDRECRIONAL POWER INVERTER CIRCUIT AND ELECTRICAL VEHICLE DRIVING SYSTEM USING THE SAME
I458239 直流對直流轉換電路與其太陽能光電發電系統DC/DC CONVERTER AND PHOTOVOLTATIC POWER GENERATION SYSTEM THEREOF
I473406 數位化前饋型寬輸出電壓之功率因數校正器及其方法DIGITALIZED FEED-FORWARD POWER FACTOR CORRECTED CONVERTER WITH WIDE-RANGE OUTPUT VOLTAGE AND METHOD THEREOF
I499357 停電照明與一般照明整合燈INTEGRATED LAMP WITH AUTOMATIC EMERGENCY LIGHT AND REGULAR LIGHT
I510138 單線調光方法SINGLE-WIRE DIMMING METHOD
I545865 適用於單線式電力載波控制系統及其方法POWER LINE COMMUNICATION CONTROL SYSTEM ADAPTED FOR SINGLE-WIRE AND METHOD THEREOF
I547199 燈具色溫/亮度調整裝置與方法METHOD AND APPARATUS FOR ADJUSTING COLOR TEMPERATURE OR LUMINANCE OF LAMP
I559344 結合表面粗糙化電極與凝膠狀電解質之可撓式超級電容器及其製法
I670737 應用仿生拓印技術製作植物纖維立體圖案之超級電容器電極及其製法
I673735 具導電高分子砂紙基電極之超級電容器及其製法
I532199 具有氧化鋅奈米片構造層之紫外光檢測器及其製造方法UV light photo detector with ZnONano-sheets layer and producing method thereof
I368459 分散式冷光板之驅動方法及其驅動電路模組
I380736 分散式冷光板之驅動裝置及其應用之驅動方法
I375343 可重複充填電解質溶液之有機電池
I679805 堆疊式貼片天線以及使用其之天線系統STACKED PATCH ANTENNA AND ANTENNA SYSTEM USING THE SAME
I694685 無線光通訊之雙極性分碼多工系統BIPOLAR OPTICAL CODE DIVISION MULTIPLE ACCESS SYSTEM IN WIRELESS OPTICAL COMMUNICATION
I467812 白光發光二極體裝置
I666954 物聯網裝置的多重訊號定位方法
I423296 用於將電噴灑游離裝置轉換為大氣壓化學游離裝置的轉換組件以及使用該轉換組件的游離裝置
I616913 光電極材料及其製備方法以及光電極的製造方法PHOTOELECTRODE MATERIAL, MANUFACTURING METHOD THEREOF, AND MANUFACTURING METHOD OF PHOTOELECTRODE
I705668 光纖式共振光束之無線光訊息與功率傳輸系統WIRELESS OPTICAL INFORMATION AND POWER TRANSMISSION SYSTEM FOR OPTICAL FIBER RESONANT BEAM
I384746 一種使用於太陽能板無線監控系統之資料庫及其控制方法A DATABASE USED IN A SOLAR PANEL ASSOCIATED WITH A WIRELESS MONITORING SYSTEM AND A METHOD FOR CONTROLLING THE SAME
I408818 一種太陽能板無線監控系統及其電壓值之測量方法A WIRELESS MONITORING SYSTEM FOR SOLAR PANELS AND A VOLTAGE MEASURING METHOD FOR THE WIRELESS MONITORING SYSTEM
I458248 具倍流整流器之換流器及其控制方法INVERTER WITH CURRENT DOUBLER RECTIFIER AND CONTROL METHOD THEREOF
I441412 充電裝置與方法CHARGING DEVICE AND METHOD
I473410 非隔離型雙向直流/直流轉換器NON-ISOLATED DC-DC CONVERTER
I485959 隔離型雙向直流/直流轉換裝置及其主動式緩振器ISOLATED BI-DIRECTIONAL DC/DC CONVERTING DEVICE AND ACTIVE SNUBBER THEREOF
I409990 偶極天線結構
I373201 雙極性磁浮定位裝置
I355882 混合式散熱裝置及其製法及結合其散熱裝置的電子元件
I418085 具微生物燃料電池之高功率LED照明系統及方法HIGH POWER LED ILLUMINATING METHOD AND SYSTEM HAVING MICROBIAL FUEL CELL
I434449 結合微生物燃料電池及照明裝置之生物輔生系統ORGANISM AUXILIARY LIVE SYSTEM WITH COMBINATION OF MICROBIAL FUEL CELL AND ILLUMINATING DEVICE
I357665 氧化鋅奈米柱之紫外光檢測器
I364078 利用溶膠凝膠法搭配旋轉塗佈法製作可調整能隙的氧化鋅鎂薄膜之製造方法
I403212 可自動調光的發光二極體裝置LED WITH AUTO BRIGHTNESS ADJUSTMENT TECHNOLOGY
I411352 可自動調光之發光二極體裝置的校正裝置A CORRECTION MECHANISM FOR AN AUTO-DIMMER LED KIT
I451657 多組變壓器隔離並聯共地輸入之電池主動平衡裝置EQUIVALENT STATUS DETECTING AND CHARGING DEVICE FOR SECONDARY BATTERY PACKAGE
I489749 全橋諧振式單級主動式高功因電力轉換裝置FULL BRIDGE OSCILLATION RESONANCE HIGH POWER FACTOR INVERTOR
I502868 自激式單級高功率因數之驅動電路SELF-OSCILLATING AND SINGLE STAGE HIGH POWER FACTOR DRIVER CIRCUIT
I303137 以鋁/金雙層金屬作為上發光型有機發光二極體之陽極電極
I337048 一種具有氮化鋁陰極電極之上發光反置型有機發光二極體
I405348 矽薄膜太陽能電池之光電轉換元件的製作方法
I364217 車輛多點檢測與影像疊加方法及系統METHOD AND SYSTEM FOR EXPANDING MULTI-EXAMINATIONS AND THE IMAGE SUPERIMPOSITION
I339002 液靜壓混成動力系統
I431821 紫外線發光二極體自我主動封裝方法及其製備的紫外線發光二極體METHOD FOR SEALING LED AND THE PRODUCT BY THE SAME
I303120 鎖相式電池充電系統及其方法
I305074 具電流補償能力之鎖相式電池充電方法及其裝置
I311828 電池最佳工作頻率之量測方法及其裝置
I376089 改變排油煙機風扇轉速之方法
I352363 利用峰值電流模式控制順向式轉換器充電之磁化機
I355795 利用峰值電流模式控制馳返式轉換器充電之磁化機
I427928 不穩態振盪電路之定電流裝置、方法及其應用的裝置FIXING ELECTRIC CURRENT DEVICE AND METHOD FOR ASTABLE VIBRATING CIRCUIT AND ITS APPLICATION
I442820 以峰值電流模式之馳返式轉換器驅動LED燈照明裝置
I442821 以峰值電流模式之順向式轉換器驅動LED燈照明裝置LED LIGHTING DEVICE DRIVEN BY FORWARD CONVERTER USING PEAK CURRENT MODE
I435536 低雜訊的交流截波電路ALTERNATING-CURRENT CHOPPER CIRCUIT WITH LOW NOISE
I442581 植物共混色素作為光敏劑之染料敏化太陽能電池及其製造方法BLENDING PLANT PIGMENTS AS PHOTOSENSITIZER FOR DYE-SENSITIZED SOLAR CELLS AND METHOD OF FABRICATION USE THE SAME
I495172 具有超大帶隙之可調變式類石墨烯晶體元件TUNABLE GRAPHENE-LIKE CRYSTAL ELEMENT HAVING WIDER BAND GAPS
I386053 全方位視角之樞軸調整機構
I422288 高解離率電漿產生方法及其應用裝置
I497754 提高發光二極體發光效率之方法
I298014 一種可選擇性啟動之主動式電磁干擾防護裝置
I302770 一種可產生高頻、高工作循環之週期性脈衝光波的方法及裝置
I449284 光波放大裝置
I307566 適用5GHz頻段可調之小型共面波導饋入天線
I312210 小型共面波導饋入式三頻單偶極天線
I319595 P型氧化鋅薄膜製造方法及系統
I373137 氧化鋅奈米線場效電晶體氣體感測裝置GAS SENSOR MADE OF FIELD EFFECT TRANSISTOR BASED ON ZNO NANOWIRES
I389441 整合式升壓-順向-返馳式高電壓增益轉換器INTEGRATED BOOST-FORWARD-FLYBACK HIGH GAIN CONVERTOR
I345929 冷光板驅動電路模組
I351805 換流器之噪音抑制方法
I363582 感應加熱線圈組
I369065 排油煙機及其馬達控制裝置
I377875 禽類電擊方法以及應用該方法的禽類電擊裝置
I406476 自動定子繞線機構AUTOMATIC STATOR COIL WINDERS
I378713 水中生物即時輔助監控裝置
I383466 一種壓印平台對準與調平的量測系統
I388030 一種應用分光束與動態感測器量測取放機構誤差之裝置
I247559 具預熱時間自動調整功能與計時快速重置功能之螢光燈電子啟動器
I248622 用以在矽晶片螺旋電感上產生極高電感值之方法
I250711 直流電源極性保護及極性自動切換電路
I257736 螺旋線柱狀天線之製造方法
I258893 操作在射頻辨識系統5.8GHz頻段之H型微帶平面天線佈局
I274460 串接式馬達加速器
I279960 變頻式脈衝充電裝置及其方法
I280047 可彈性擴充之影像錄影監視器
I292650 並接式馬達加速器
I296182 具有熄燈功能之螢光燈電子啟動裝置及其方法
I296865 軟式共面波導饋入雙寬頻雙彎臂型單偶極天線
I296874 脈衝式電池供電裝置與方法
I302419 氣體放電燈預熱溫度控制方法及其裝置
I325219 電動可變高慣量器
I622104 單壁式奈米碳管電晶體製造方法Producing method of semiconducting single walled carbon nanotube transistor
I622255 具有流道之液冷式冷卻裝置
I587620 高轉換效率之同步降壓直流-直流轉換器SYNCHRONOUS BUCK DC-DC CONVERTER WITH HIGH CONVERSION EFFICIENCY
I602470 多燈管型態螢光燈/發光二極體燈通用型照明驅動電路DRIVING CIRCUIT FOR DRIVING MULTIPLE FLUORESCENT LAMP(S) AND/OR LED LAMP(S)
I638480 熱電池之電極極片製程
I638482 電點火器結構
I552586 被動光纖網路視訊串流安全傳輸之系統及方法SYSTEM AND METHOD FOR SECURE TRANSMISSION OF VIDEOS ON PASSIVE OPTICAL NETWORK
I392283 ZigBee PAN ID配置裝置及其配置方法ZIGBEE PAN ID CONFIGURING DEVICE AND METHOD THEREOF
I699995 防災影像處理方法及其系統DISASTER PREVENTION IMAGE PROCESSING METHOD AND SYSTEM THEREOF
I648905 駐波相移集中裝置
I565202 正負電壓增益電源轉換器及使用其之動態電壓恢復器POWER CONVERTER WITH BOTH OF POSITIVE GAIN AND NEGATIVE GAIN AND DYNAMIC VOLTAGE RESTORER USING THE SAME
I565214 正負電壓增益之電壓源型電源轉換器及使用其之動態電壓恢復器VOLTAGE-SOURCE POWER CONVERTER WITH BOTH OF POSITIVE GAIN AND NEGATIVE GAIN AND DYNAMIC VOLTAGE RESTORER USING THE SAME
I580171 可調速之交流馬達驅動電路與使用其之交流馬達系統DRIVING CIRCUIT FOR SPEED ADJUSTMENT OF AC MOTOR AND AC MOTOR SYSTEM USING THE SAME
I267232 操作在射頻辨識系統5.8GHz頻段之F型微帶平面天線佈局
I354512 冷光片發光驅動方法及其電路結構
I377748 具轉向之延長線插頭裝置
I378609 具滑移之延長線插頭裝置
I691189 模組化感測器整合系統MODULAR SENSOR INTEGRATED SYSTEM
I520429 天線結構及其樞合方法ANTENNA STRUCTURE AND COMBINATION METHOD THEREOF
I533551 具有樞合天線模組之無線充電裝置WIRELESS CHARGER WITH PIVOTING ANTENNA MODULE
I547055 無線傳輸綠能系統及其組合方法WIRELESS TRANSMISSION GREEN ENERGY SYSTEM AND ASSEMBLY METHOD
I241151 利用量子雙障蔽準直器之電荷注入能量選取結構
I244857 雷射光源元件自動對焦及成型之方法及裝置
I262745 兼具螢光燈管預熱暨啟動控制裝置及其方法
I262746 螢光燈管老化檢測方法與裝置
I264897 全球資訊網上的硬體中立嵌入式遠端監控方法及其系統
I265756 具重覆點火功能之螢光燈電子啟動器
I571898 具多孔電極之可撓式超級電容器製法
I575927 來電者資訊之應用系統Application system for information of first speaker
I722895 發電機之三相同步整流控制系統
I726662 智慧路燈監控系統INTELLIGENT STREET LAMP MONITORING SYSTEM
I727799 樞合式區塊鏈節點裝置及其樞合方法BLOCKCHAIN NODE DEVICE AND COMBINING METHOD THEREOF
I729707 無線能量轉換系統WIRELESS POWER TRANSFERRING SYSTEM
I738214 物聯網廣播設備名稱多對多狀態識別系統
I743862 再生能源儲釋能供電之單級三電能埠諧振式電能轉換器TRI-PORT POWER CONVERTER
I745259 應用於5G智慧製造設備的天線信號均優化方法METHOD FOR OPTIMIZING ANTENNA SIGNAL APPLICABLE FOR 5G SMART MANUFACTURING DEVICE
I711055 高電壓介電層結構與其製造方法
I792610 多孔隙鉛碳複合極片及其製作方法與鉛碳複合電池
I793893 鋰離子電池正極材料及其製法與應用
I793913 銀修飾氧化鋅奈米柱之自供電氣體感測器
I802082 雙模式返馳式轉換器
I806101 具多電池系統之串並聯架構
I807952 紅光窄峰ZnInP/ZnS量子點的製備方法
M638942 通訊監控設備
I831147 高壓輸出之切換式電源供應電路、使用其之靜電噴藥設備以及農業植保機
I831408 鉛碳擠壓方法、鉛碳極片組及鉛碳電池
I842176 交流及直流電源轉換設備
I843557 碳量子點的製備方法及其用途
I843558 碳纖維多孔電極之製作方法
I858428 雙向無線傳輸系統
I858446 直流轉換裝置
I859595 無人機充電系統及應用的智慧引導充電管理系統
I860024 超級電容器碳纖維電極的懸浮液製作與碳量子點電解質製備方法
US11,580,512B2 Smart street parking meter, smart street parking management system, and smart street parking fee payment method(已讓與)
I872839 薄膜式超級電容
I884100 異物位置偵測裝置及其偵測方法
專利類型:新型
A:人類生活需要
M551920 載物電動收納裝置ELECTRIC LOAD CARRIER
M523495 長滯空飛機結構改良
M576039 改良型貼布
M378728 音波牙刷
M479660 姿勢矯正牙刷TOOTHBRUSH FOR CORRECTING POSTURE
M509575 具有姿勢矯正裝置之牙刷A TOOTHBRUSH WITH POSTURE CORRECTING DEVICE
M600173 桌球發球機系統TABLE TENNIS SERVING SYSTEM
M438107 自動灑水器控制裝置
M460518 自動灑水裝置
M506457 濕度智能調節栽植裝置
M540638 用以照護行動不便者之床墊MATTRESS FOR THE DISABLED
M540649 護理清洗機WASHER FOR NURSING
M547843 自動烤栗子裝置
M580964 病患移位搬運之沐浴床結構
M469740 具有溫度調節功能之行動寵物箱
M498039 紅外線自動撿球機
M511360 太陽能六旋翼飛行器
M529542 油電複合六旋翼飛行器
M527206 可改善環境空氣品質之智能生態箱
M375402 可結合口罩之衣服結構
M522571 壓解複合製茶機結構
M291229 紫外線警示傘
M406421 具CCD攝影功能之全方位醫用口腔視鏡
M540645 自平穩式助行器
M329469 益智組合式連鎖元件組
M428707 單點同時調整桌面高度及傾斜角之桌裝置
M513621 桌面可改變位置及角度之裝置
M575330 具坐、站、躺以及後傾姿勢之多功能輪椅
M577317 車用輪椅升降裝置
M595497 車用輪椅升降裝置之載台支撐結構
M535049 具有遠端操控之咖啡沖泡裝置
M312206 一種紫外線指數防曬警示帽
M427928 全視角紅外線導盲系統
M541213 具生物體與環境溫度差異量測之保暖穿戴式裝置WARM-KEEPING WEARABLE DEVICE VIA MEASURING DIFFERENCE BETWEEN BIOLOGICAL TEMPERATURE AND ENVIRONMENTAL TEMPERATURE
M599678 雲端監控之握力復健裝置
M601609 具有組裝導引功能的積木輔具
M612662 仔豬養殖豬舍結構
M615550 運動狀態分析系統SPORT STATE ANALYSIS SYSTEM
M619732 雙向回饋桌球發球系統BIDIRECTIONAL FEEDBACK TABLE TENNIS SERVING SYSTEM
M603348 床上清洗用之組合架
M604106 菇類採收系統
M624859 具升降、站立、後傾及床式功能之輪椅
M626597 桌球擊球分析系統
M627016 輔助站立裝置
tyu sadsa
M633810 室外運動記錄系統
M665515 改良型音樂手持扇
M665783 智慧化音樂禽舍
M665785 改良型兒童便座
M668161 透明布袋戲偶
M668352 人體四肢支持裝置
M670805 手部運動限制裝置
B:作業、運輸
M452823 自動化鏟花工件表面之鏟花設備
M490934 應用多自由度機械手臂的鏟花裝置
M505366 鏟配磨潤特性檢測裝置
M595605 防撞系統COLLISION AVOIDANCE SYSTEM
M492875 無人飛機航管回報系統
M329576 具備USB-CAN/LIN Dongle功能的車輛網路控制系統
M574990 車鎖裝置LOCK DEVICE
M358788 感應水壓自動充氣救生裝置
M400902 教學用之超音波熔接機構造
M412825 可攜式超音波熔接機結構
M556220 同軸式雙向傳動裝置
M545000 熱沖壓無釘鉚接機hot stamping clinching machine
M447263 自玻璃硬化製程所產生之廢棄物中純化硝酸鉀的設備
M555335 多功能之毛巾展示盒
M568249 毛巾包裝盒
M405321 自動毛巾橫向裁剪機
M303137 車用即時紫外線指數偵測器
M394932 車底安全監視攝影裝置
M399060 電動掀蓋隱藏式車用攝影裝置
M413619 車輛行駛安全無死角視覺影像輔助系統
M425068 正向反射式車用影像監視系統
M473952 高溫警示裝置
M253596 一種奈米級六軸重載重之微動系統a six-axis nano-stage
M439537 工具機軌跡精度補償裝置
M443583 刀塔式自動鏟花裝置
M451193 固定座的檢測裝置
M458266 工具機角度定位量測系統
M460089 奈米壓電調整裝置
M508389 影像式多軸工具機校正系統IMAGE THREE-DIMENSIONAL SPATIAL ERROR DETECTION SYSTEM
M530737 機器人校正系統
M584232 用於刀把之刀具狀態顯示裝置
M591066 自行車之雙向傳動結構
M607166 擴增實境即時互動售服維修系統
M628309 圓弧齒型偏擺減速機
M653081 具安撫作用之機器人
DE202024105439 Elektromotorsystem für ein Fahrrad mit Elektrohilfsantrieb
登錄第3249364號 電動補助自転車中置電機システム構造
M667684 多功能發電裝置
C:化學;冶金;組合化學
M452178 袋式培養基及液態菌接種之自動化加工設備
M452179 液態菌之高效能噴注接種裝置
M500766 抗菌給水裝置
M255267 蒸鍍用坩堝裝置改良
M532466 熱蒸鍍裝置之給料機構
D:紡織;造紙
M518236 曬收衣系統CLOTHES HANGING AND COLLECTING SYSTEM
E:固定建築物
M407272 鎖具及鑰匙系統
M489189 自動遮雨棚
M459262 屋頂溫差發電降溫裝置
M665784 智能音樂移動式帳棚
F:機械工程;照明;供熱;武器;爆破
M418999 滾珠螺桿之螺帽結構之改良
M425959 具有微型風扇之滾珠螺桿之螺帽結構
M452270 具有致冷晶片的滾珠螺桿裝置
M506207 節能風扇裝置
M395817 太陽能板監控器
M556286 帶體連結之雙向傳動裝置
M406689 LED太陽能防竊庭院燈
M523831 母乳保冷器
M525425 球泡燈
M548762 主動吸附式的承載裝置
M547639 半連續批式裂解反應爐之結構STRUCTURE OF SEMI-CONTINUITY BATCH PYROLYSIS REACTOR
M457146 多向冷熱能交換裝置
M466977 冷暖風扇
M428280 複合式行星齒輪減速機
M454479 行星齒輪減速機
M575486 連桿式自動升降裝置
M508595 腳踏車發電機構
M591134 齒輪變速機構GEAR VARIABLE-SPEED MECHANISM
M604835 風機葉輪結構
M623852 可調式燈具
M624743 智慧型樹木蟲害防治系統
M627060 貨車尾門之翻轉控制裝置
M630295 微型多重檢測晶片及多重檢測設備
M631853 微型刀具結構
M631854 微型刀具之斷屑結構
M633221 積層製造系統
M652591 改良型照明警示系統
M664784 植物葉片音樂芳香燈
M665272 可消除齒隙之減速裝置
G:物理
M478191 耳機孔傳輸裝置之改良
M451525 應用雷射光源於三次元量床之掃描表面形貌檢測裝置
M545243 光學式轉軸多自由度誤差檢測裝置
M596335 智慧化水平精度系統
M518768 微型掛式電流檢測裝置OPERABLE OF MICRO ELECTRIC CURRENT DETECTING DEVICE
M561263 集體活動結果輸出系統
M584453 集體活動遠端資訊處理系統
M407396 分子薄膜製作裝置
M576307 網路化資金分配系統
M416165 壓電材料正壓電效應模擬之教學教具
M416166 壓電材料逆壓電效應模擬之教學教具
M472921 正壓電模擬教學裝置
M474999 逆壓電模擬教學裝置
M505035 用於顯示物質分子的原子組成結構的分子結構模型
M323050 奈米級旋轉軸誤差檢測系統
M467112 伸縮指示裝置
M467939 滑鼠故事模組MOUSE STORY MODULE
M601853 智慧型穿戴系統INTELLIGENT WEARABLE SYSTEM
M509351 自由空間之光通訊裝置
M312656 紫外線即時顯示看板
M322541 任意紫外線波長阻隔率與穿透率測試機台
M361626 電子數位式測距輪車
M361627 數位尺
M361680 數位式幾何數據量測裝置
M399378 利用紅外線攝影偵測之物品防偽系統
M418315 移動式長時間紅外攝錄影機
M432828 便利攜帶之照度檢測器
M457904 具冷藏及加熱便當功能之溫控裝置
M491827 藍光感測器以及使用其之藍光檢測裝置
M499548 非接觸式量測裝置
M499549 校正磨耗度之光柵測距輪裝置
M599913 電動車之電源偵測裝置
M451528 線性運動量測系統
M451537 機具背隙檢測裝置
M500239 旋轉軸角度定位量測系統
M516714 工具機旋轉軸定位精度檢測裝置ANGULAR ERROR CORRECTION DEVICE FOR MACHINE TOOLS
M583559 設備碰撞及異常的保護模組
M583566 刀具壽命預測設備
M584502 設備稼動率及異常偵測系統
M594771 物聯網廣播設備名稱多對多狀態識別系統
M319412 GPS包裹定位追蹤器GPS PACKAGE POSITION TRACKING DEVICE
M600919 整合式發電教具組
M606780 機台即時防護系統
M610614 菇類生長資訊蒐集裝置
M617006 電池履歷系統
M603127 雲端防護系統
M603607 斜向拋射運動發射器教具
M604940 菇類生長監控裝置
M650161 裸視三維實境系統
M652588 改良型用藥提醒系統
M659296 具影像輔助功能之車輛無線充電自動對位系統
M667992 具有自標準基準及快速部署人工智慧辨識之微流道檢測系統
H:電學
M485590 奈米級光學對位及壓印調平裝置
M548419 具有流道之液冷式冷卻裝置
M571107 柔性電極板的製造設備
M383874 穿戴於人體之搖擺式家電搖控裝置
M464962 自激式單級高功率因數之發光二極體驅動電路SELF-OSCILLATING AND SINGLE STAGE HIGH POWER FACTOR LED DRIVER CIRCUIT
M475101 具倍流效應與高降壓比例之整流電路HIGH VOLTAGE RECTIFIER WITH DOUBLE CURRENT OUTPUT
M482206 串聯式負載之隔離型三繞組變壓器功率控制裝置POWER CONTROLLER FOR ISOLATED THREE WINDING TRANSFORMER
M333720 嵌入式USB主機網路控制裝置
M405698 隱藏式CCTV防盜照明投射燈
M445772 多串併電池組間之抗雜訊差動傳輸介面
M527638 智能插座系統與智能插座裝置
M406871 具電池壽命檢測功能之充電器
M505135 隱藏式門禁偵測設備
M449364 天線結構改良
M493807 具有樞合天線模組之無線充電裝置WIRELESS CHARGER WITH PIVOTING ANTENNA MODULE
M507105 太陽能節電裝置及系統SOLAR ENERGY SAVING DEVICE AND SYSTEM
M515743 無線傳輸綠能系統WIRELESS TRANSMISSION GREEN ENERGY SYSTEM
M528511 智慧電源開關INTELLIGENT POWER SWITCH
M600044 樞合式區塊鏈節點裝置BLOCKCHAIN NODE DEVICE
M441278 發話端資料之顯示系統Display system for information of first speakers
M583655 跨設備資訊交換平台
M596506 具物聯網功能之廚電系統控制設備
I825806 雲端影片編輯系統及其生產方法
M653570 微吸盤及製造微吸盤的吸盤模具
M658731 可撓金屬基板有機發光元件以及有機發光顯示器
M667220 電動輔助自行車中置電機系統
專利類型:設計
A:人類生活需要
B:作業、運輸
C:化學;冶金;組合化學
D:紡織;造紙
E:固定建築物
F:機械工程;照明;供熱;武器;爆破
G:物理
D169938 D169938
H:電學
機器人校正系統與方法Robot correction system and method thereof
國別:
中華民國
研發人:
覺文郁
證號:
I579123
專利類型:
I:發明
補助單位:
技術領域:
關鍵字:
生效日期:
2017-04-21~2036-07-17
是否技轉:
是